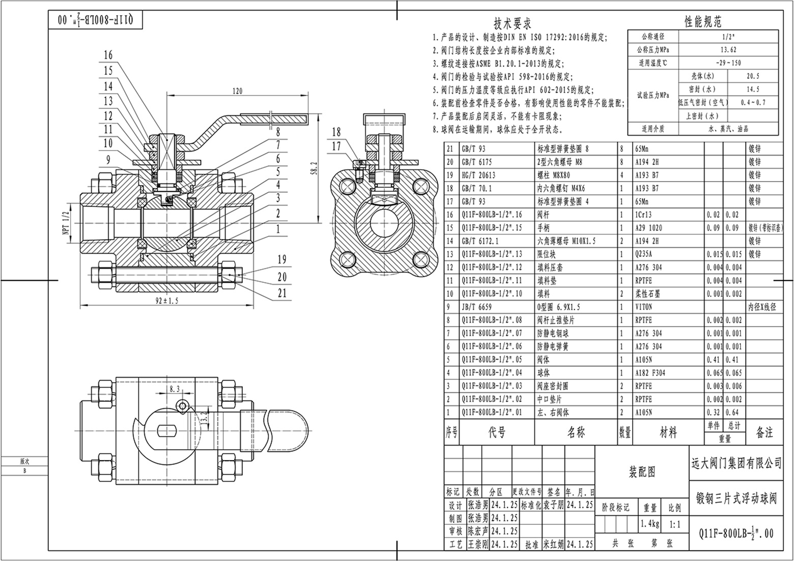
锻钢三片式球阀Q11F
锻钢三片式球阀通过驱动装置,带动阀杆垂直于通道做90°回转,用带有圆形通道的球体作启闭件,球体两侧安装两个塑料材质的阀座,密封球体与阀体间的泄漏,球体随阀杆一起转动从而起到启闭通道的目的;
关键词:
产品分类:
产品详情
主要零件材质表
| 零件名称 | 材料名称 |
|---|---|
| 阀体、填料压板 | A105 |
| 球体 | F304 |
| 阀座密封圈、中口垫片 | RPTFE |
| 阀杆 | 12Cr13 |
| 手柄 | A29 |
| 螺栓、螺母 | B7 |
适用温度及介质
| 规格 | 适用温度(℃) | 适用介质 | 适用压力(MPa) |
|---|---|---|---|
| DN1/2”-2” | -29℃~150℃ | 水、油品、蒸汽 | 13.62 |
结构特点
✔ 火灾初期利用次级硬密封进行二次密封防止灾情扩大
✔ 防静电
✔ 手柄长,力矩轻
✔ 下穿式阀杆防窜出
✔ 加强型阀座耐磨耐冲刷
产品介绍
锻钢三片式球阀Q11F
锻钢三片式球阀通过驱动装置,带动阀杆垂直于通道做90°回转,用带有圆形通道的球体作启闭件,球体两侧安装两个塑料材质的阀座,密封球体与阀体间的泄漏,球体随阀杆一起转动从而起到启闭通道的目的;
其中设计采用全通径设计,流通阻力小、扭矩轻,操作方便;密封面材料广泛使用塑料,密封可靠,无振动、噪声小,采用特殊结构具有防火、防静电效果。

产品覆盖材质
| 种类 | 材料牌号 |
|---|---|
| 碳钢 | A105 LF2(低温钢) |
| 不锈钢 | F304 F304L F316 F316L |
| 低合金钢 | F11 F22 |
Q11F-800LB-15.00 装配图

ONLINE MESSAGE
在线留言
*注:请务必信息填写准确,并保持通讯畅通,我们会尽快与你联系